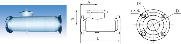
一、产品特性
SQS系列汽水混合器是新型节能环保产品,它是利用蒸汽与水直接混合将水加热,具有低噪声、无振动、热交换效率高、节省能源等特点,被广泛地使用在生活、生产用热水及热水采暖和热力除氧等系统中,该加热器主要由喷管、壳体、网板、垫圈等部分组成。被加热水通过呈拉尔管状的喷管时,蒸汽从喷管外侧通过管壁上许多斜向小孔喷入水中,二者在高速流动中瞬时良好混合,以达到加热的目的。
对于不同型号规格的加热器,在额定流量下,加热不同温度的热水所需蒸汽量可由下式计算:
Do=D1C1(T2-T1)/(io″-D2t2)=D1(qT2-qT1)/(i″-Ct2)
式中:
D1—额定流量(t/h)
C1—水在t1温度下比热(KJ/Kg.℃)
D0—所需蒸汽量(t/h)
C2—水在t2温度下比热(KJ/Kg.℃)
T2—加热后的水温(℃)
T1—进入加热器水温(℃)
io″—进入加热器在压力P0下的饱和蒸汽热焓(KJ/Kg)

|