静态混合器
喷射混合器
管道过滤器
精细过滤器
管道用小型设备
  SQ型蒸汽分水器
  视镜
  阻火器
  呼吸阀
  消声器
塔 填 料
净化设备
电镀设备
附录
 

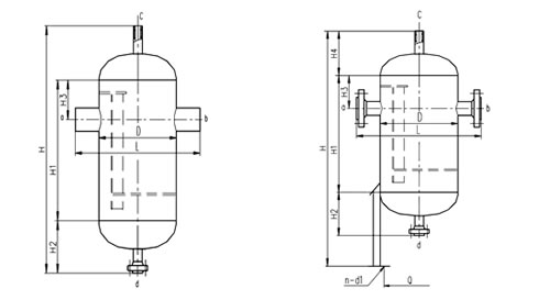
SQ型蒸汽分水器


一、产品特性
    蒸汽分水器能有效地分离蒸汽中的水滴,对整个装置正常运行起保护作用,因此凡在石油化工装置内自产的饱和蒸汽在并入相应管网前以及蒸汽进入汽轮机之前,都应设置蒸汽分水器。

蒸汽分水器主要技术参数



二、产品型号



 
启东市精博化工设备厂 地址:江苏省启东市台角二路10号 邮编:226200 苏ICP备10024776号
电话:0513-83115870 传真:0513-83251793 网址:www.jbhgsb.com E-mail:cxs1018@sina.com cxs1018@163.com